Umbau Inclinometer und AD-Wandler bei Relaisplatine TLC-B1

<< Zum Anzeigen des Inhaltsverzeichnisses anklicken >>

Navigation:  ANLEITUNGEN - HANDBÜCHER > MODELL Z-2000 > ab Serien-Nr. 365000 > Umbauanleitungen >

Umbau Inclinometer und AD-Wandler bei Relaisplatine TLC-B1

1. Übersicht

 

Ausbau Inclinometer und AD-Wandler, siehe Arbeitsschritte 1 - 13.

Einbau zusätzliche Platine "55027", siehe Arbeitsschritte 14 - 19.

Einbau Halter und Sensoren "S2" und "S3", siehe Arbeitsschritte 20 - 27.

Einbau Relaiskit "79324TL"  zu Ventil "TSR", siehe Arbeitsschritte 28 - 38.

Anschliessen von Bedieneinheiten, siehe Arbeitsschritte 39 - 41.


HINWEIS: Online Zugang zu diesem Dokument erhalten Sie via Browser unter Eingabe folgender Internetadresse:

https://mammutlift-technik.ch/hm/index.html?monanl_modz1500_ubk_ad-w_version2.html


2. Lieferumfang Umbaukit

 

lieferumfang_umbaukit_ad-w_steuerkarte_version2_hx



3. Anleitung Umbau

 

3.1 Ausbau Inclinometer und AD-Wandler - Siehe Arbeitsschritte 1 - 13

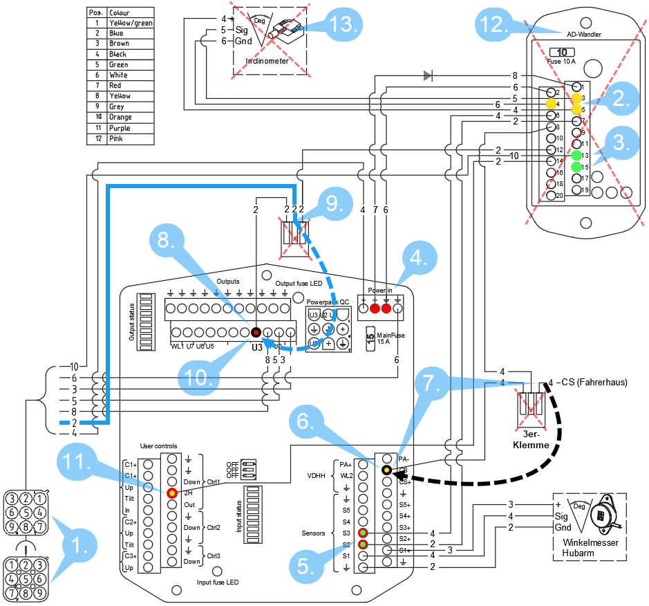
1. Trenne die 9-polige Steckverbindung im Hydraulikaggregat.

2. Entferne die Litzen bei Nr. 3, 4 und 5 (gelb markiert).

3. Entferne die Litzen bei Nr. 13 und Nr. 15 (grün markiert).

4. Entferne die rote und "weisse" Litze bei "Power in" (rot markiert).

5. Entferne die Litzen an "S2" und "S3" bei "Sensors" (rot-grün markiert).

6. Entferne die Litze an "CS" bei "ETMA" (schwarz-gelb markiert).

7. Platziere die Litze "CS vom Fahrerhaus" um, von der 3er-Klemme an den Anschluss "CS" bei "ETMA"(schwarz-gelb markiert).

8. Entferne die Litze an "U3" bei "Outputs" (schwarz-rot markiert).

9. Schneide die Kabel am blauen 3er-Verbinder durch.

10. Montiere die blaue Litze (kommend vom 9-poligen Stecker) an den Anschluss "U3" bei "Outputs" (schwarz-rot markiert).

11. Entferne die Litze an "2H" bei "Ctrl 1" (rot-gelb markiert).

12. Demontiere den AD-Wandler inkl. der Halterung und allen noch am Wandler befestigten Litzen.

13. Demontiere den Inclinometer von der Plattform, inkl. der Kabelverbindung zur Relaiskarte TLC-B1.

ArbeitsSchritte 1 - 13

schema_umbaukit_ad-wandler_v2_hx


3.2 Einbau Platine 55027 - Siehe Arbeitsschritte 14 - 19

14. Montiere die Platine "55027" an die Rückseite der Relaisplatine TLC-B1.

      Verwende Schraube, Mutter, Scheibe und Gewindebüchse vom zuvor demontierten AD-Wandler.

15. Entferne alle Kabellitzen an der Relaisplatine TLC-B1, welche auf die Anschlüsse von Ctrl 1, 2 und 3 gehen.

16. Verbinde die Kabellitzen des Anschlusses "Platine TLC-B1" mit den freien Anschlüssen an "Ctrl 1" (an Relaisplatine TLC-B1).

17. Platziere den 5er-Verbinder für "2H" gem. Abbildung.

18. Montiere die grüne Litze an "2H" bei "Ctrl 1".

19. Montiere das lose Ende der orangen Litze (bereits verbunden mit "9-poligem Stecker") an den "5er-Verbinder" (siehe auch Punkt 17).

 

ArbeitsSchritte 14 - 19

Abbildung: Einbau Zusatzplatine 55027

Abbildung: Einbau Zusatzplatine 55027

Abbildung: Platzierung 5er-Verbinder für 2H

Abbildung: Platzierung 5er-Verbinder für 2H

 

 

Abbildung: Anschliessen Zusatzplatine 55027 an TLC-B1

Abbildung: Anschliessen Zusatzplatine 55027 an TLC-B1

 

 

 


3.3 Einbau Halter und Sensoren "S2" und "S3" - Siehe Arbeitsschritte 20 - 27

20. Montiere die Sensoren S2 und S3 an den Halter (falls nicht vormontiert).

21. Montiere die Sensoreinheit an die Plattform und verlege die Kabel.

22. Montiere die schwarze Litze vom Sensor S3 an die Klemme "S3+" bei "Sensors".

23. Montiere die blaue Litze vom Sensor S3 an die Klemme "S3" bei "Sensors".

24. Montiere die braune Litze vom Sensor S3 an die  (-) Klemme bei "Sensors".

25. Montiere die schwarze Litze vom Sensor S2 an die Klemme "S2+" bei "Sensors".

26. Montiere die blaue Litze vom Sensor S2 an die Klemme "S2" bei "Sensors".

27. Montiere die braune Litze vom Sensor S2 an die  (-)-Klemme bei "Sensors".

 

ArbeitsSchritte 20 - 27

Abbildung: Einbau Sensoreinheit S2 und S3

Abbildung: Einbau Sensoreinheit S2 und S3


3.4 Einbau Relaiskit zu Ventil TSR - Siehe Arbeitsschritte 28 - 38

28. Stecker von Spule an Ventil "TSR" abziehen.

29. Schneide das orange Kabel zwischen blauem 2er-Verbinder und "PIN 5" des 9-poligen Steckers durch.

30. Ziehe die schwarze Litze (zu Stecker "TSR") ab vom runden "Minus-Anschluss" beim Motor und entferne das Kabel.

31. Befestige das Relais (siehe Relaiskit 79324TL) mit einem Kabelbinder am Motorschütz, verlege das Kabel zum Ventil "TSR" und stecke es ein.

32. Stecke die beiden schwarzen Litzen (kommend vom Relais und dem Kabel zu Ventil "TSR") an den ""Minus-Anschluss" beim Motor.  

33. Durchtrenne die schwarze Kabellitze (ca. in der Mitte), welche zwischen dem 9-poligen Stecker (PIN 3) und der Ventilspule "V3" verläuft.

34. Verbinde die beiden losen Enden der durchtrennten schwarzen Litze mit der im Umbaukit beigefügten 3er-Wago-Klemme.

35. Verbinde die blaue lose Kabellitze, kommend vom Relais "Anschluss 30", mit der beigefügten 3er-Wago-Klemme.

36. Presse an das lose Ende der orangen Litze (kommend von "PIN 5" des 9-poligen Steckers) den beigefügten Flachkabelschuh.

37. Pinne am Relaissockel die orange Litze bei "Anschluss 86" aus und stecke stattdessen die Litze mit dem zuvor aufgepressten Kabelschuh ein.

38. Füge die 9-polige Steckverbindung im Hydraulikaggregat wieder zusammen.

 

ArbeitsSchritte 28 - 38

Abbildung: Aus- und Einbau Relais und Kabelstrang Ventil TSR

Abbildung: Aus- und Einbau Relais und Kabelstrang Ventil TSR

 


3.5 Anschliessen von Bedieneinheiten - Siehe Arbeitsschritte 39 - 41

39. Schliesse die Kabellitzen aller Bedieneinheiten entsprechend der nachfolgenden Übersicht an.

40. Optionaler 2H-Knopf (falls vorhanden) gemäss separatem Elektroschema anschliessen.

41. Entferne den Haltebügel mit den Wago-Klemmen, welcher als Erweiterung des Anschlusses (Ctrl 1) diente.

 

 

55027_bedieneinheit_aussen_rechts_standard_hx